Lub wypełnij formularz na stronie
Pomoc w doborze
Wymienniki ciepła spiralne

Produkt służy do organizowania procesu wymiany ciepła pomiędzy różnymi czynnikami roboczymi zawierającymi cząstki stałe oraz elementy o małej masie i objętości.
Zalety spiralnych wymienników ciepła:
- praca spiralnego wymiennika ciepła jest możliwa w szerokim zakresie temperatur i ciśnień;
- stosunkowo małe gabaryty w stosunku do powierzchni wymiany ciepła;
- istnieje możliwość pracy spiralnego wymiennika ciepła pod dużymi obciążeniami;
- spiralny wymiennik ciepła nie jest zanieczyszczony podczas pracy, co pozwala zaoszczędzić na konserwacji, zwłaszcza, że ten typ wymiennika ciepła ma właściwość samooczyszczania, nawet przy pracy z silnie zanieczyszczonymi substancjami;
- różne zużycie dwóch mediów roboczych w stosunku do siebie;
- spiralny wymiennik ciepła podczas pracy wykazuje nieznaczne straty ciśnienia;
- Wreszcie przy zamawianiu wymiennika spiralnego istnieje duży wybór różnych typów uszczelek, przekrojów kanałów, ich szerokości itp.
Spiralne wymienniki ciepła mogą być stosowane w takich dziedzinach jak przemysł rafinacji ropy naftowej, przemysł chemiczny, przemysł celulozowo-papierniczy, metalurgia, przemysł tekstylny, przemysł wydobywczy i przetwórczy, a także pola gazowe i koksownicze oraz procesy sterylizacji.
Funkcje spiralnych wymienników ciepła: od ogrzewania i chłodzenia po odzysk ciepła, kondensację i odparowanie. Czynnikami roboczymi spiralnego wymiennika ciepła mogą być dowolne: zawiesiny, ciecze, ścieki, polimery i szlamy, a także lepkie ciecze i ciecze, w których występują cząstki stałe i pierwiastki.
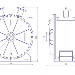
Urządzenie wymienników spiralnych
Głównym elementem w spiralnym wymienniku ciepła jest spiralnie zwinięta blacha stalowa. W rezultacie mogą istnieć dwa lub cztery kanały przepływu. Blacha stalowa po umieszczeniu w korpusie jest łączona końcami z płaszczem poprzez spawanie. Aby cała konstrukcja spiralnego wymiennika ciepła była niezawodna i sztywna, do jednego z boków blachy stalowej przymocowane są specjalne kolce. Wewnątrz rury osiowej (centralnej) montowana jest przegroda, która następnie tworzy dwa nie komunikujące się ze sobą kolektory. Ta centralna rura działa jako podstawa blach stalowych. Również przegroda może mieć różne modyfikacje, ale to już zależy od konkretnych warunków pracy spiralnego wymiennika ciepła i tego, co chcesz w rezultacie uzyskać.
Aby połączyć różne rury wlotowe i wylotowe, w ścianach kanału wykonuje się otwory. Prędkość przepływu czynnika roboczego przez spiralny wymiennik ciepła jest wprost proporcjonalna do aktualnej pozycji, a dodatkowo stale się zmienia. Czynnik roboczy, poruszając się wzdłuż wirującego kanału, zderza się ze specjalnymi kolcami rozdzielającymi i nie występuje turbulencja. Brak turbulencji korzystnie wpływa na cały proces wymiany ciepła nawet przy stosunkowo małych prędkościach czynnika roboczego. W rezultacie zmniejsza się również ogólne zanieczyszczenie spiralnego wymiennika ciepła.
W spiralnym wymienniku ciepła czynnik roboczy może poruszać się w trzech głównych schematach przepływu: przeciwprądowym, krzyżowym lub równoległym. Najczęściej stosuje się schemat ruchu przeciwprądowego, ale możliwe jest łączenie tych schematów w kombinację.
Wyciek w spiralnych wymiennikach ciepła jest wykluczony. Niezawodność zapewnia integralność kanałów, przez które przepływa środowisko pracy. Integralność bezpośrednio zależy od jakości szwu łączącego między blachami stalowymi a obudową wymiennika ciepła, ale w 100% przypadków ten szew jest nawet bardziej niezawodny niż tylko ściana z blachy stalowej.
Spiralny wymiennik ciepła montowany jest na ramie nośnej, co z kolei zapewnia stabilność całej konstrukcji oraz możliwość montażu w dowolnej dogodnej pozycji. Możliwe jest również dołączenie do wymiennika dodatkowego wyposażenia, np. urządzeń zapewniających zejście nadciśnienia i powietrza atmosferycznego.
Możesz wybrać spiralny wymiennik ciepła, którego potrzebujesz w naszej firmie. W rezultacie w możliwie najkrótszym czasie otrzymasz kompetentne obliczenie spiralnego wymiennika ciepła, jego rysunek, parametry techniczne i określony czas produkcji.
Zapraszamy do obejrzenia kilku zdjęć z naszej produkcji.

1. Spawany wężownicowy wymiennik ciepła

2. Spiralny wymiennik ciepła przygotowany do montażu

3. Spiralny wymiennik ciepła w produkcji

4. Mały spiralny wymiennik ciepła

5. Spiralny wymiennik ciepła przygotowany do transportu

6. Transport spiralnych wymienników ciepła




































































































































































