FILTR PRODUKTÓW
- Pompy przemysłowe
- Automatyka dla pomp
- Pompy beczkowe
- Pompy bocznokanałowe
- Pompy diagonalne
- Pompy dozujące
- Pompy elektromagnetyczne
- Pompy nurnikowe
- Pompy perystaltyczne
- Pompy membranowe z silnikiem
- Śrubowe pompy dozujące
- Czujniki i elektrody
- Czujniki chloru CL
- Czujniki dwutlenku chloru DCL
- Czujniki kwasu nadoctowego PA
- Czujniki mętności TURBIDITY
- Czujniki nadtlenku wodoru HP
- Czujniki ozonu
- Czujniki poziomu odczynników
- Czujniki przepływu
- Czujniki przewodności CD
- Czujniki temperatury
- Czujniki tlenu rozpuszczonego
- Czujniki/elektrody pH
- Czujniki/elektrody poziomu Rx (RedOx, ORP)
- Uchwyty czujników
- Kontrolery (analizatory cieczy)
- Analizatory cieczy
- Precyzyjne analizatory cieczy
- Kontroler tlenu rozpuszczonego
- Kontrolery poziomu CL
- Kontrolery poziomu Rx (ORP)
- Kontrolery poziomu pH
- Kontrolery do pomiaru poziomu przewodności elektrycznej CD
- Regulatory mętności
- Sterowniki parametryczne do montażu na szynie DIN, panel
- Analizatory fotometryczne
- Zbiorniki, cysterny, palety ochronne, zaciski (talerze)
- Urządzenia do czyszczenia i higieny, dozowania i rozcieńczania
- Systemy dozowania i sterowania
- Pompy dwustrumieniowe z korpusem dzielonym
- Pompy EX ATEX
- Pompy głębinowe
- Pompy higieniczne i spożywcze
- Pompy In-line
- Pompy kałowe do drenażu powierzchniowego
- Pompy magnetyczne
- Pompy membranowe pneumatyczne
- Pompy membranowe pneumatyczne zatapialne
- Pompy monoblokowe z żeliwa
- Pompy napędzane przez WOM
- Pompy obiegowe
- Pompy od -190°C do +400°C
- Pompy próżniowe
- Pompy rolkowe
- Pompy rotacyjne i krzywkowe
- Pompy rotacyjne łopatkowe
- Pompy samozasysające
- Pompy ślimakowe
- Pompy śmigłowe (osiowe)
- Pompy tłokowe
- Pompy wielostopniowe
- Pompy wspornikowe
- Pompy z elastycznym wirnikiem
- Pompy z rozdrabniaczem
- Pompy z tworzyw sztucznych
- Pompy z wirującym dyskiem
- Pompy zatapialne
- Pompy zębate
- Przepompownie ścieków
- Przepompownie wodociągowe i przeciwpożarowe
- Zestawy hydroforowe
- Pionowe półzatapialne pompy
- Dyspergator - homogenizator emulgatora
- Przykłady zastosowań pomp
- Aeratory do napowietrzania
- Mieszadła do ścieków
- Pompki do lodów
- Pompy basenowe
- Pompy chemiczne
- Pompy chemoodporne
- Pompy do alkaliów
- Pompy do alkoholu
- Pompy do bentonitu i płuczki
- Pompy do cieczy gorącej
- Pompy do cieczy lepkich
- Pompy do czekolady i masy
- Pompy do dichromianu potasu, sody kaustycznej
- Pompy do ekstraktu
- Pompy do emulsji i zawiesin
- Pompy do farb i lakierów
- Pompy do freonów
- Pompy do galwanizacji
- Pompy do gęstw odlewniczych ceramicznych
- Pompy do gliceryny
- Pompy do gnojowicy
- Pompy do heksanu
- Pompy do hydrotransportu
- Pompy do igłofiltrów
- Pompy do kleju
- Pompy do kremu i pasty
- Pompy do kwasu
- Pompy do kwasu amidosulfonowego
- Pompy do kwasu azotowego
- Pompy do kwasu chlorowodorowego
- Pompy do kwasu fluorowodorowego
- Pompy do kwasu fosforowego (kwasu ortofosforowego)
- Pompy do kwasu mrówkowego (kwas metanowy)
- Pompy do kwasu siarkowego
- Pompy do kwasu szczawiowego
- Pompy do melasy
- Pompy do mięsa mielonego
- Pompy do mleka
- Pompy do mocznika, nawozów płynnych, amoniaku
- Pompy do nawadniania
- Pompy do nawozów
- Pompy do olejów i paliw
- Pompy do oleju opałowego
- Pompy do oleju roślinnego
- Pompy do oleju termalnego
- Pompy do osadów
- Pompy do pasze płynnych
- Pompy do piwa
- Pompy do podrobow i odpadow poubojowych
- Pompy do produktów naftowych, benzyny, oleju napędowego
- Pompy do ryb i owoców morza
- Pompy do seru
- Pompy do śmietany
- Pompy do syropu
- Pompy do szamba
- Pompy do szkła płynnego
- Pompy do tłuszczu
- Pompy do węglowodorów
- Pompy do wina
- Pompy do wody amoniakalnej, wodorotlenku amonu NH4OH
- Pompy do wody czystej
- Pompy do wody deszczowej
- Pompy do wody morskiej
- Pompy do wody ściekowej i kałowej
- Pompy do wykopów
- Pompy do wywaru melasowego, zacieru
- Pompy Ex do odprowadzania cieczy zęzowych
- Pompy kwasoodporne
- Pompy odwodnieniowe
- Pompy permeatu
- Pompy ściekowe
- Pompy spożywcze do soku, koncentratu
- Pompy szlamowe
- Pompy żywiczne
- Spożywcze pompy membranowe FDA
- Uszczelnienia mechaniczne
- Uszczelnienia mechaniczne według rodzaju
- R-101
- R-102
- R-102U
- R-103/R-103A
- R-104/R-104А
- R-108
- R-108U
- R-109/R-8U
- R-109B/R-8B
- R-10T/R-10R
- R-110
- R-112
- R-113
- R-120/R-120P
- R-120W
- R-124
- R-125
- R-128/R-128P
- R-152 (T/R)
- R-1527
- R-156
- R-1577
- R-16
- R-202/R-208
- R-21
- R-2100
- R-21UK
- R-260TS
- R-31K/R-31U
- R-4701
- R-4702
- R-502B
- R-560A
- R-560C
- R-58B/59B
- R-58U/59U
- R-58V
- R-6
- R-609/R-650
- R-680
- R-6A
- R-6B
- R-6BG
- R-6C
- R-6SB/R-SB
- R-706A
- R-706B
- R-706C
- R-706D
- R-706E
- R-706F
- R-706H(CR)
- R-706K
- R-706L
- R-706SE
- R-706SO/706SSO
- R-706SP
- R-706SS
- R-7K/R-7K-U
- R-802
- R-877/R-877-U
- R-960
- R-AL.FM
- R-AL.LKHd
- R-AL.LKHf
- R-AL.LKHs
- R-AL.SR
- R-APV-01
- R-B151
- R-BED
- R-BIA
- R-BT-AR
- R-BT-FN
- R-BT-FN.NU
- R-BT-RN
- R-BT-RN3/R-BT-RN3.NU
- R-CARTEX(DN)
- R-CARTEX(SN)
- R-Convertor
- R-CSM
- R-CURC
- R-DJ
- R-E5K-U
- R-FL.58UR
- R-FL.NL
- R-FL.NU
- R-FL.OL
- R-FL.OU
- R-FL.XA
- R-FL.XE
- R-FL.С
- R-FR
- R-GEA
- R-GTZ
- R-H12N
- R-H75
- R-H7N
- R-HG202
- R-HG204/R-HG204B
- R-HG212
- R-HJ92N/R-HJ97/R-GNZ
- R-HLG
- R-HLG1
- R-HRN
- R-ISC2-PX
- R-J580
- R-JB103
- R-JB104
- R-JL
- R-LPS
- R-LW
- R-LWR
- R-M010D
- R-M07
- R-M2N
- R-M3.ALW
- R-M3N
- R-M481KL-D
- R-M74D
- R-M7N/M74
- R-MFL WT80
- R-MFL85N
- R-MFLC12
- R-MG1
- R-MG12
- R-MG13
- R-MG1S20
- R-MG1S6
- R-MG9
- R-MR35L-D
- R-MS
- R-RB
- R-SE1F-AP
- R-T1/R-FBC
- R-T2/R-FBD
- R-TSWE
- R-W01
- R-W011
- R-WB2
- R-WB3
- R-XB
- R-ZF
- Uszczelnienia mechaniczne według marki pompy
- Uszczelnienie mechaniczne pompy ABS
- Uszczelnienie mechaniczne pompy ALFA LAVAL
- Uszczelnienie mechaniczne pompy ALLWEILER
- Uszczelnienie mechaniczne pompy ANDRITZ
- Uszczelnienie mechaniczne pompy APV
- Uszczelnienie mechaniczne pompy CALPEDA
- Uszczelnienie mechaniczne pompy DAB
- Uszczelnienie mechaniczne pompy DP- Pumps
- Uszczelnienie mechaniczne pompy EBARA
- Uszczelnienie mechaniczne pompy EMU
- Uszczelnienie mechaniczne pompy FLYGT
- Uszczelnienie mechaniczne pompy FRISTAM
- Uszczelnienie mechaniczne pompy GEA TUCHENHAGEN
- Uszczelnienie mechaniczne pompy GOETZE
- Uszczelnienie mechaniczne pompy GRUNDFOS
- Uszczelnienie mechaniczne pompy GÜCÜM
- Uszczelnienie mechaniczne pompy HIDROSTAL
- Uszczelnienie mechaniczne pompy HILGE
- Uszczelnienie mechaniczne pompy INBEAT
- Uszczelnienie mechaniczne pompy INOX
- Uszczelnienie mechaniczne pompy INOXPA
- Uszczelnienie mechaniczne pompy JABSCO
- Uszczelnienie mechaniczne pompy KOLMEKS
- Uszczelnienie mechaniczne pompy KSB
- Uszczelnienie mechaniczne pompy LFP LESZNO
- Uszczelnienie mechaniczne pompy LOWARA
- Uszczelnienie mechaniczne pompy Nocchi
- Uszczelnienie mechaniczne pompy PACKO
- Uszczelnienie mechaniczne pompy PEDROLLO
- Uszczelnienie mechaniczne pompy PENTAX
- Uszczelnienie mechaniczne pompy POMPETRAVAINI
- Uszczelnienie mechaniczne pompy PUMPEX
- Uszczelnienie mechaniczne pompy ROBUSHI
- Uszczelnienie mechaniczne pompy SAER
- Uszczelnienie mechaniczne pompy SALMSON
- Uszczelnienie mechaniczne pompy SPERONI
- Uszczelnienie mechaniczne pompy SULZER
- Uszczelnienie mechaniczne pompy TSURUMI
- Uszczelnienie mechaniczne pompy WAUKESHA
- Uszczelnienie mechaniczne pompy WILO
- Uszczelnienie mechaniczne pompy ZENIT
- Uszczelnienia mechaniczne według marek
- Uszczelnienie mechaniczne AESSEAL
- Uszczelnienie mechaniczne ANGA
- Uszczelnienie mechaniczne BURGMANN
- Uszczelnienie mechaniczne FLOWSERVE
- Uszczelnienie mechaniczne HERMETICA
- Uszczelnienie mechaniczne JOHN CRANE
- Uszczelnienie mechaniczne LATTY
- Uszczelnienie mechaniczne LIDERING
- Uszczelnienie mechaniczne ROTEN
- Uszczelnienie mechaniczne STERLING
- Uszczelnienie mechaniczne VULCAN
- Uszczelnienia mechaniczne PALM
- Produkcja detali z węglika krzemu, krzemianu cyrkonu
- Uszczelnienia mechaniczne według rodzaju
- Części zamienne i akcesoria do pomp
- Części zamienne i akcesoria AlphaDynamic
- Części zamienne i akcesoria ALUNAK
- Części zamienne i akcesoria BTS
- Części zamienne i akcesoria Debem
- Części zamienne i akcesoria DiaPump
- Części zamienne i akcesoria Dreno
- Części zamienne i akcesoria Ebara
- Części zamienne i akcesoria Ekler
- Części zamienne i akcesoria Erduro
- Części zamienne i akcesoria Ferroni
- Części zamienne i akcesoria FLUIMAC
- Części zamienne i akcesoria do pomp próżniowych
- Części zamienne i akcesoria do pomp beczkowych
- Armatura odcinająca
- Kompletny zestaw kolumn i aparatów
- Wypełnienia nasypowe
- Wypełnienia nasypowe ceramiczne
- Ceramiczne mini-pierścienie kaskadowe Cascade Mini-Ring
- Ceramiczne pierścienie Lessing Ring
- Ceramiczne pierścienie Pall Ring
- Ceramiczne pierścienie podziału krzyżowego Cross-Partition Ring
- Ceramiczne pierścienie Raschig Ring
- Ceramiczne super dysze do siodełka Intalox Super Saddles
- Pierścienie węglowe Raschig Ring
- Siodło ceramiczne Intalox Saddles
- Wypełnienia nasypowe metalowe
- Kaskadowe mini-pierścienie Cascade Mini-Ring
- Pierścień Teller Ring
- Pierścienie Palla Pall Ring
- Pierścienie Raschiga Raschig Ring
- Pierścionki Mella Ring (VSP)
- Pierścionki Nutter Ring
- Siodła Intalox
- Sprzężony pierścień Conjugated Ring
- Super pierścionek Super Raschig Ring
- Wypełnienie metalowe Top-Pak
- Wypełnienie metalowe VFF-Twin-Pak
- Wypełnienia nasypowe plastikowe
- Materiał filtracyjny MBBR
- Plastikowe kulki Cover Ball
- Plastikowe kulki Igel Ball
- Plastikowe mini-pierścienie kaskadowe Cascade Mini-Ring
- Plastikowe nasady HD/Q Pak
- Plastikowe nasady LanPack
- Plastikowe nasady NetBall
- Plastikowe nasady NorPack
- Plastikowe nasady Q-Pack
- Plastikowe nasady Tri-Pak
- Plastikowe pierścienie Beta Ring
- Plastikowe pierścienie Heilex Ring
- Plastikowe pierścienie Pall Ring
- Plastikowe pierścienie Ralu Ring
- Plastikowe pierścienie Raschig Ring
- Plastikowe pierścienie Snowflake Ring
- Plastikowe pierścienie Super Raschig Ring
- Plastikowe pierścienie Teller Rosette
- Plastikowe pierścienie Tellettes
- Plastikowe pierścienie VSP Mella Ring
- Plastikowe płaskie pierścienie Flat Ring
- Plastikowe sprzężony pierścień Conjugated Ring
- Puste kule wielościanowe Polyhedra Hollow Ball
- Puste kulki Plastikowe Plastic Hollow Ball
- Siodła Intalox Saddles
- Sześciokątna kulka lita Hexa-shield Solid ball
- Kulki ceramiczne Ceramic Ball
- Ceramiczne kulki filtracyjne Ceramic Filter Ball
- Ceramiczne porowate kulki Porous Ceramic Ball
- Kule magazynujące ciepło Open-Hole Heat Storage Ball
- Kulki ceramiczne obojętne Inert Ball
- Kulki ceramiczne wklęsło-wypukłe Concave-Convex Ceramic Ball
- Kulki mielące z tlenku glinu Alumina Grinding Balls
- Kulki żaroodporne Refractory Ball
- Piasek Porcelanowy Porcelain Sand
- Wypełnienia nasypowe ceramiczne
- Wypełnienie strukturalne pakietowe
- Sito molekularne 3A, 4A, 5A, 13X (Molecular Sieve)
- Adsorbenty, desykanty, katalizatory
- Nasada do oczyszczalni ścieków
- Talerze do kolumn
- Wypełnienia nasypowe
- Energia alternatywna, agregaty prądotwórcze
- Silniki Diesla z WOM 3000 obrotów
- Maszyny i urządzenia magazynowe
- Systemy dla hydroponiki
- Usługi inżynieryjne
- Wirówki dekantacyjne i separatory
- Automatyzacja produkcji: kontrolery, przyrządy, czujniki, przepływomierze
- Miksery i mieszalniki przemysłowe
- Pręty ślimakowe
- Kompresory
- Dmuchawy
- Wymienniki ciepła
- Prózniowo-wyparne instalacje
- Urządzenia filtrujące oraz instalacje
- Enzymy, drożdże alkoholowe, środki antyseptyczne do produkcji alkoholu
- Suszarki z separatorem wilgoci
- Hydranty i sprzęt
- Kotły na paliwo stałe
Marki
- ACME Pompe
- AESSEAL
- AIDA
- AIZL
- AlphaDynamic
- ALUNAK
- ANGA
- Angel
- AQUA
- AquaticaLeo
- ATLAS
- Azovenergomash
- BTS Engineering
- BURGMANN
- Caffini
- Calpeda
- Cooli
- DEBEM
- DEHAHA
- DEKKER
- DiaPump
- Dreno
- DURREX
- Ebara
- EDWIN
- Ekler
- EMEC
- EMSE
- ERBSLÖH
- ERDURO
- ETATRON D.S.
- EVP
- Ferroni
- FLOWSERVE
- FLUIMAC
- GARUDA
- GENVAC
- GRACE
- GREATWALL MIXERS
- GRUNDFOS
- GÜCÜM
- HAUS
- HERMETICA
- HIDRAULICA U.M. PLOPENI S.A
- Hidrostal
- Hydro-Vacuum
- Inopor
- JEFF
- JESSBERGER
- JOHN CRANE
- Kingda
- KOŁTON
- KUPAR
- LATTY
- LEO
- Lider
- Lidering
- LIVERANI
- LOWARA
- M Pumps
- Modo
- MST
- MTS-Poltava
- NASH
- Nettuno
- Noelift
- NOVA ROTORS
- Novozymes
- OFT Pumps
- Organika
- Pall Ring Company
- Pedrollo
- Prosystem AQUA
- Qeehua
- R&X Energy
- RETRA
- RJCNE
- ROSEN
- ROTEN
- ROVATTI
- ROVER POMPE
- RUUT BLOWER
- SEKO
- Shivay
- SIEMENS
- SOLTEC
- SOYGEN
- Speroni
- Spomasz Zamość
- ST Pompe
- STERLING
- SternEnzym
- SUNTAQ
- Svessa Pump Plant
- TEGAFERM
- Ukrnasosservis
- VANE PUMP
- Veneroni
- VFF
- VLAIS
- VULCAN
- Watermot
- Wilo
- XINHONGYUAN
- Yildizsu
- YUY
- Yuzuak
- ZENIT
- ZINISAN
Pomoc w doborze
+48 22 390 63 48
Dział sprzedaży
W przypadku jakichkolwiek pytań podczas składania zamówienia, prosimy o kontakt pod wskazanym numerem telefonu.
Lub wypełnij formularz na stronie
Pomoc w doborze
Lub wypełnij formularz na stronie
Pomoc w doborze
Nowości
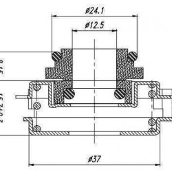
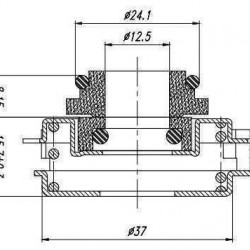
Zobacz wszystkieR-706D
Potrzebujesz kupić uszczelnienie mechaniczne R-706D? btstech.pl zapewni Państwu maksymalny wybór jakościowych uszczelnień mechanicznych R-706D firmy BTS Engineering, dostępnych w różnych modyfikacjach i materiałach, do większości istniejących typów pomp, mieszadeł i innych typów urządzeń.
Na naszej stronie możesz filtrować uszczelki według dostępności, średnicy wału, materiałów i zastosowania. Jeśli masz wątpliwości, czy wybrałeś odpowiedni rodzaj uszczelnienia, której potrzebujesz - prześlij nam zdjęcia, wymiary lub rysunki - sami szybko i sprawnie dobierzemy uszczelkę.
BTS Tech dba o Twój sprzęt i docenia Twój czas!
12/24/36/48
Filtr towarów

























































































































