Pompa zębata do asfaltu EMSE EDP-I 3 cal, 16,2-31,9 m3/h z przekładnią wewnętrzną, bez silnika
Marka:
EMSECechy charakterystyczne
Zakres ciśnienia, bar:
2-10
Typ zazębienia przekładni:
wewnętrzny
Producent:
EMSE
Wydajność, m3/godz:
31.9
Materiał:
Żeliwo
Seria pomp:
EDP-I
Kraj pochodzenia:
Turcja
Zobacz wszystkie
Dokumentacja
Kategorie
Ulubione
Porównanie
Produkty z tej samej kategorii
Kupuj również z tym produktem
Wymiana lub zwrotKonsument ma prawo do odstąpienia od umowy w terminie 14 dni i obowiązek zwrotu towaru w ciągu kolejnych 14 dni
Warunki dostawyKoszty dostawy są obliczane w zależności od wybranego towaru
Gwarancja i jakośćProdukty posiadają gwarancję producenta, importera lub sprzedawcy, obowiązującą na terenie Polski
Płatność onlineZa towar można zapłacić przelewem bankowym oraz online przez system płatności Przelewy24Niniejsze ogłoszenie / reklama jest zaproszeniem do zawarcia umowy i nie stanowi oferty w myśl. art. 66, par. 1 Kodeksu Cywilnego
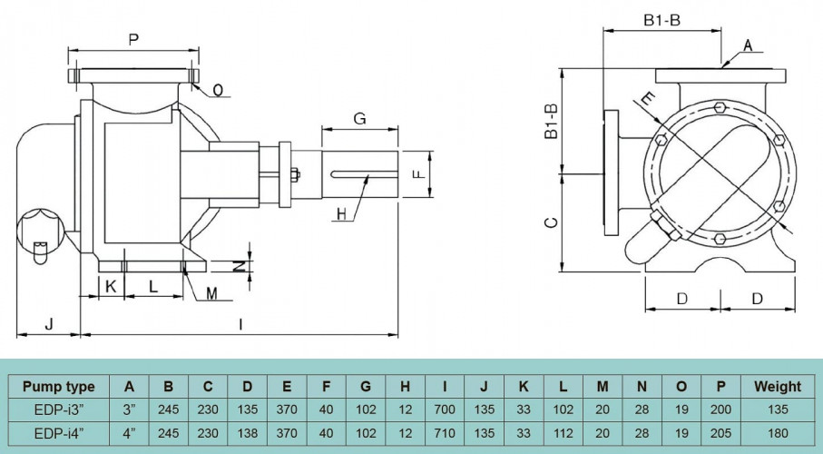
Dane techniczne Pompa zębata do asfaltu EMSE EDP-I 3 cal, 16,2-31,9 m3/h z przekładnią wewnętrzną, bez silnika
Zakres ciśnienia, bar | 2-10 |
Typ zazębienia przekładni | wewnętrzny |
Producent | EMSE |
Wydajność, m3/godz | 31.9 |
Materiał | Żeliwo |
Seria pomp | EDP-I |
Kraj pochodzenia | Turcja |
Średnica króćca wlotowego | 3" |
Średnica króćca wylotowego | 3" |
Moc, kW | 15 |
Prędkość obrotowa, obr/min | 400 |
Typ Pompy | Przekładniowy |
Rodzaj instalacji | Poziomy |
Wydajność (max), m3/godz | 31.9 |
Temperatura pracy | -10°C +110°C |
Waga, kg | 135 |
Materiał obudowy | Żeliwo |
Opis Pompa zębata do asfaltu EMSE EDP-I 3 cal, 16,2-31,9 m3/h z przekładnią wewnętrzną, bez silnika
Dzięki dużemu skokowi i luzowi międzyzębnemu, pompy zębate EMSE z serii EDP-I mogą pompować lepkie ciecze, takie jak melasa, czekolada, asfalt, olej, produkty ropopochodne, farby, kleje, oleje roślinne, mydło, paliwa, farmaceutyki, chemikalia, żywność, tworzywa sztuczne i produkty gumowe oraz inne wysoce lepkie ciecze do ciśnienia 14-15 barów. Dzięki przepływowi objętościowemu wysokie ciśnienie można osiągnąć nawet przy niskich prędkościach.
Zasada działania: Wewnętrzne pompy zębate są używane do pompowania cieczy o wysokiej lepkości. Ten typ pompy składa się z koła zębatego napędzającego na zewnątrz i koła zębatego napędzanego w pozycji mimośrodowej. Dzięki prostej konstrukcji jest to trwała i łatwa w konserwacji pompa. Koło zębate napędzające (wirnik) jest podłączone do silnika i styka się z kołem zębatym napędzającym od wewnątrz. W pompie wyporowej z wewnętrznym zazębieniem podciśnienie jest wytwarzane po stronie ssawnej przez rozszerzanie się objętości między kołami zębatymi. Ciecz wypełniająca obudowę pompy znajduje się pod ciśnieniem w wyniku zwężenia szczeliny między kołami zębatymi i przemieszcza się w kierunku wylotu pompy.
Pompa jest dostępna w wersjach wykonanych z różnych materiałów:
Obudowy: żeliwo, żeliwo sferoidalne
Koła zębate: żeliwo sferoidalne, stal
Wały: stal
Tuleja: brąz, grafit
Dokumentacja Pompa zębata do asfaltu EMSE EDP-I 3 cal, 16,2-31,9 m3/h z przekładnią wewnętrzną, bez silnika
Pobierz instrukcje, katalog dla Pompa zębata do asfaltu EMSE EDP-I 3 cal, 16,2-31,9 m3/h z przekładnią wewnętrzną, bez silnika
Pompa zębata do asfaltu EMSE EDP-I 3 cal, 16,2-31,9 m3/h z przekładnią wewnętrzną, bez silnika opinię

Pomoc w doborze
+48 22 390 63 48
Dział sprzedaży
W przypadku jakichkolwiek pytań podczas składania zamówienia, prosimy o kontakt pod wskazanym numerem telefonu.
Lub wypełnij formularz na stronie
Pomoc w doborze
Lub wypełnij formularz na stronie
Pomoc w doborze




























































































































