Pompa ze stali nierdzewnej NX32/300 (160), 2,2 kW, 20 m3/h, 37m, 220V/M, AISI 304 (EBARA 3M 32-160/2.2)
Marka:
ST PompeCechy charakterystyczne
Producent:
ST Pompe
Wydajność, m3/godz:
20
Wysokość podnoszenia, m.w.St:
37
Materiał:
AISI 304 stal nierdzewna
Seria pomp:
NX
Kraj pochodzenia:
Włochy
Średnica króćca wlotowego:
DN50
Zobacz wszystkie
Dokumentacja
Kategorie
Ulubione
Porównanie
Produkty z tej samej kategorii
Kupuj również z tym produktem
Wymiana lub zwrotKonsument ma prawo do odstąpienia od umowy w terminie 14 dni i obowiązek zwrotu towaru w ciągu kolejnych 14 dni
Warunki dostawyKoszty dostawy są obliczane w zależności od wybranego towaru
Gwarancja i jakośćProdukty posiadają gwarancję producenta, importera lub sprzedawcy, obowiązującą na terenie Polski
Płatność onlineZa towar można zapłacić przelewem bankowym oraz online przez system płatności Przelewy24Niniejsze ogłoszenie / reklama jest zaproszeniem do zawarcia umowy i nie stanowi oferty w myśl. art. 66, par. 1 Kodeksu Cywilnego
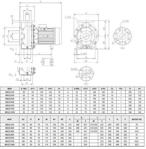
Dane techniczne Pompa ze stali nierdzewnej NX32/300 (160), 2,2 kW, 20 m3/h, 37m, 220V/M, AISI 304 (EBARA 3M 32-160/2.2)
Producent | ST Pompe |
Wydajność, m3/godz | 20 |
Wysokość podnoszenia, m.w.St | 37 |
Materiał | AISI 304 stal nierdzewna |
Seria pomp | NX |
Kraj pochodzenia | Włochy |
Średnica króćca wlotowego | DN50 |
Średnica króćca wylotowego | DN32 |
Moc, kW | 2,2 |
Prędkość obrotowa, obr/min | 3 000 |
Stopień ochrony | IP55 |
Zasilanie | 1х220 V, 50 Hz |
Zabezpieczenie przeciwwybuchowe | Nie |
Typ Pompy | Konsolowy |
Typ napędu | Elektryczny |
Rodzaj instalacji | Poziomy |
Typ sprzętu | z silnikiem |
Wydajność (max), m3/godz | 20 |
Temperatura (max), C | 90 |
Wysokość podnoszenia (max), m.w.St | 37 |
Uszczelnienie | Mechanical Seal, Ceramic/Carbon/NBR |
Materiał wału | AISI 304 stal nierdzewna |
Materiał wirnika | AISI 304 stal nierdzewna |
Waga, kg | 33,5 |
Materiał obudowy | AISI 304 stal nierdzewna |
Pojemność kondensatora silnika elektrycznego, µF | 50 |
Ciśnienie, bar | 10 |
Wysokość ssania (NPSH), m | 7 |
Zastosowanie | brzeczkę, kaustyki, komory suszarniczej, mieszaniny amoniaku, mleka, moczniku, mycia CIP, nawadniania suszenia, ogrzewania, płynnych nawozów, roztwórów błota, RSM, serwatki, soków, sóli, wieży chłodniczej, win, wody, wody lodowej, wzrostu ciśnienia, zacieru, zaopatrzenia w wodę obiegową, żywnośći |
Alternatywa | Speroni CX, Ebara 3M |
Długość opakowania transportowego, cm | 49 |
Szerokość opakowania transportowego, cm | 28 |
Wysokość opakowania transportowego, cm | 34 |
Opis Pompa ze stali nierdzewnej NX32/300 (160), 2,2 kW, 20 m3/h, 37m, 220V/M, AISI 304 (EBARA 3M 32-160/2.2)
Pompy odśrodkowe serii NX służą do pompowania wody chemicznie czystej, bez cząstek stałych, w systemach grzewczych i chłodniczych, systemach nawadniających i systemach przeciwpożarowych. Wszystkie części pompy mające kontakt z cieczą wykonane są ze stali nierdzewnej i zaprojektowane zgodnie z normami DIN 24255 (UNI EN 733). Szeroki wybór i wysoka niezawodność sprawiają, że pompy te nadają się do zastosowań w rolnictwie, budownictwie mieszkaniowym i przemyśle. Obudowa pompy, wirnik, dyfuzory: stal nierdzewna AISI 304. Wał silnika: stal nierdzewna AISI 304. Obudowa silnika i osłona: aluminium. Uszczelnienie mechaniczne: Cer/Car/NBR (standard).
Dokumentacja Pompa ze stali nierdzewnej NX32/300 (160), 2,2 kW, 20 m3/h, 37m, 220V/M, AISI 304 (EBARA 3M 32-160/2.2)
Pobierz instrukcje, katalog dla Pompa ze stali nierdzewnej NX32/300 (160), 2,2 kW, 20 m3/h, 37m, 220V/M, AISI 304 (EBARA 3M 32-160/2.2)
Pompa ze stali nierdzewnej NX32/300 (160), 2,2 kW, 20 m3/h, 37m, 220V/M, AISI 304 (EBARA 3M 32-160/2.2) opinię

Pomoc w doborze
+48 22 390 63 48
Dział sprzedaży
W przypadku jakichkolwiek pytań podczas składania zamówienia, prosimy o kontakt pod wskazanym numerem telefonu.
Lub wypełnij formularz na stronie
Pomoc w doborze
Lub wypełnij formularz na stronie
Pomoc w doborze






















































































































