Pompa do oleju przegrzanego BTKF-K 50-200 (3000) bez silnika
Marka:
ERDUROCechy charakterystyczne
Producent:
Wydajność, m3/godz:
98
Wysokość podnoszenia, m.w.St:
65
Materiał:
Żeliwo
Seria pomp:
BTKF-K
Kraj pochodzenia:
Turcja
Średnica króćca wlotowego:
DN65
Zobacz wszystkie
Dokumentacja
Ulubione
Porównanie
Produkty z tej samej kategorii
Kupuj również z tym produktem
Wymiana lub zwrotKonsument ma prawo do odstąpienia od umowy w terminie 14 dni i obowiązek zwrotu towaru w ciągu kolejnych 14 dni
Warunki dostawyKoszty dostawy są obliczane w zależności od wybranego towaru
Gwarancja i jakośćProdukty posiadają gwarancję producenta, importera lub sprzedawcy, obowiązującą na terenie Polski
Płatność onlineZa towar można zapłacić przelewem bankowym oraz online przez system płatności Przelewy24Niniejsze ogłoszenie / reklama jest zaproszeniem do zawarcia umowy i nie stanowi oferty w myśl. art. 66, par. 1 Kodeksu Cywilnego
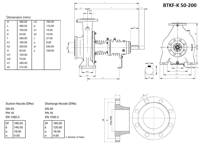
Dane techniczne Pompa do oleju przegrzanego BTKF-K 50-200 (3000) bez silnika
Producent | ERDURO |
Wydajność, m3/godz | 98 |
Wysokość podnoszenia, m.w.St | 65 |
Materiał | Żeliwo |
Seria pomp | BTKF-K |
Kraj pochodzenia | Turcja |
Średnica króćca wlotowego | DN65 |
Średnica króćca wylotowego | DN50 |
Moc, kW | 11, 15, 18,5, 22 |
Prędkość obrotowa, obr/min | 3 480 |
Stopień ochrony | IP55 |
Zabezpieczenie przeciwwybuchowe | Nie |
Typ Pompy | Konsolowy |
Typ napędu | Elektryczny |
Rodzaj instalacji | Poziomy |
Typ sprzętu | bez silnika |
Wydajność (max), m3/godz | 98 |
Temperatura (max), C | 350 |
Wysokość podnoszenia (max), m.w.St | 65 |
Gwarancja, miesiące | 12 |
Uszczelnienie | Mechanical Seal, Eagle Burgmann |
Waga, kg | 46 |
Ciśnienie, bar | 16 |
Zastosowanie | oleju termalnego, wody przegrzanej |
Alternatywa | ALLWEILER, FLOWSERVE, KSB, Pompetravaini TCD, SIHI, WILO |
Opis Pompa do oleju przegrzanego BTKF-K 50-200 (3000) bez silnika
Pompy zaprojektowane do tłoczenia i obiegu gorących olejów i węglowodorów - temperatura do 350°C (w wykonaniu specjalnym do 400°C) Stosowane w obiegach maszyn wymagających dużych temperatur procesu. Przemysł chemiczny: ogrzewanie mieszadeł, układy grzania reaktorów, układy osuszaczy, układy polimeryzacji i produkcji syntetyków, produkty dużej lepkości w niskiej temperaturze. Przemysł gumy i tworzyw sztucznych: podgrzewanie kalandrów, grzanie, naczyń metalowych, grzanie pras do tworzyw, podgrzewanie automatów wtryskowych, produkcja taśm, przemysł spożywczy.Pompa gorącego oleju BTKF-K jest przeznaczona do pompowania cieczy wysokotemperaturowych, oleju 350°C. Pompa do podgrzewania bitumu, pompa do produkcji wyrobów z drewna. Pompy są wyposażone w wirniki o trzech rozmiarach średnicy (z podcięciem), co pozwala na dokładniejszy dobór pompy pod względem ciśnienia i mocy na wale. Pompa gorącego płynu chłodzącego jest pompą odśrodkową typu H z chłodzeniem powietrzem, odlewanym radiatorem do usuwania obciążenia termicznego Komory wału i zainstalowanych uszczelnień końcowych. Pompa i silnik elektryczny są połączone za pomocą sprzęgła. Daje to korzyści podczas demontażu. Rozmiar pompy spełnia normę TS EN 733. Wymiary kołnierzy wejściowych i wyjściowych są zgodne z ISO 7005-2 / PN16. W pompie zainstalowano uszczelnienie mechaniczne, które jest wykonane z materiałów odpornych na wysokie temperatury. W przypadku konieczności wymiany wirnika, łożysk lub uszczelek pompa jest łatwa do demontażu. Przeznaczenie: pompa do przegrzanej cieczy, oleju, innych czystych produktów o temperaturze do 350°C. Zastosowania: - Zakłady Chemiczne i petrochemiczne, papiernie, cukrownie, w produkcji żywności, piekarnie fabryki wyrobów z tworzyw sztucznych, gumy i włókien syntetycznych, piece kuchenne i grzewcze, Przemysł tekstylny i skórzany, metalurgia, przygotowanie farb, podgrzewanie bitumu do budowy dróg, przemysł przetwórstwa drewna, produkcja płyt meblowych ,wklejanie itp., do wymienników ciepła proces w przenoszeniu i podgrzewaniu cieczy.
Dokumentacja Pompa do oleju przegrzanego BTKF-K 50-200 (3000) bez silnika
Pobierz instrukcje, katalog dla Pompa do oleju przegrzanego BTKF-K 50-200 (3000) bez silnika
Video Pompa do oleju przegrzanego BTKF-K 50-200 (3000) bez silnika
Pompa do oleju przegrzanego BTKF-K 50-200 (3000) bez silnika opinię

Pomoc w doborze
+48 22 390 63 48
Dział sprzedaży
W przypadku jakichkolwiek pytań podczas składania zamówienia, prosimy o kontakt pod wskazanym numerem telefonu.
Lub wypełnij formularz na stronie
Pomoc w doborze
Lub wypełnij formularz na stronie
Pomoc w doborze


























































































































