Pompa sekcyjna na ramie instalacji centralnego ogrzewania 400-540 z silnikiem 1000 kW, 1500 obr./min.
Marka:
UkrnasosservisCechy charakterystyczne
Producent:
Wydajność, m3/godz:
400
Wysokość podnoszenia, m.w.St:
540
Materiał:
Żeliwo
Seria pomp:
ЦНС
Kraj pochodzenia:
Ukraina
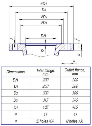
Średnica króćca wlotowego:
DN200
Zobacz wszystkie
Dokumentacja
Kategorie
Ulubione
Porównanie
Produkty z tej samej kategorii
Kupuj również z tym produktem
Wymiana lub zwrotKonsument ma prawo do odstąpienia od umowy w terminie 14 dni i obowiązek zwrotu towaru w ciągu kolejnych 14 dni
Warunki dostawyKoszty dostawy są obliczane w zależności od wybranego towaru
Gwarancja i jakośćProdukty posiadają gwarancję producenta, importera lub sprzedawcy, obowiązującą na terenie Polski
Płatność onlineZa towar można zapłacić przelewem bankowym oraz online przez system płatności Przelewy24Niniejsze ogłoszenie / reklama jest zaproszeniem do zawarcia umowy i nie stanowi oferty w myśl. art. 66, par. 1 Kodeksu Cywilnego
Dane techniczne Pompa sekcyjna na ramie instalacji centralnego ogrzewania 400-540 z silnikiem 1000 kW, 1500 obr./min.
Producent | Ukrnasosservis |
Wydajność, m3/godz | 400 |
Wysokość podnoszenia, m.w.St | 540 |
Materiał | Żeliwo |
Seria pomp | ЦНС |
Kraj pochodzenia | Ukraina |
Średnica króćca wlotowego | DN200 |
Średnica króćca wylotowego | DN200 |
Moc, kW | 1 000 |
Prędkość obrotowa, obr/min | 1 500 |
Zasilanie | 3х380 V, 50 Hz |
Zabezpieczenie przeciwwybuchowe | Nie |
Typ Pompy | Wielostopniowy |
Typ napędu | Elektryczny |
Rodzaj instalacji | Poziomy |
Typ sprzętu | z silnikiem |
Temperatura (max), C | 45 |
Waga, kg | 7 997 |
Wymiary, mm | 4275x1012x1710 |
Wydajność (nom), m3/godz | 400 |
Wysokość podnoszenia (nom), m.w.St | 540 |
Wysokość ssania (NPSH), m | 5 |
Opis Pompa sekcyjna na ramie instalacji centralnego ogrzewania 400-540 z silnikiem 1000 kW, 1500 obr./min.
Przemysłowe pompy odśrodkowe sekcyjne (wielostopniowe) CNS i CNS(g) to seria wysokowydajnych pomp wodnych. Przeznaczone są do pompowania wody technicznej o wskaźniku wodorowym pH 7...8,5, udziale masowym zanieczyszczeń mechanicznych nie większym niż 0,05%, wielkości cząstek stałych nie większej niż 0,2 mm i mikrotwardości nie większej niż 1,47 hPa (147 kgf/mm²). Pompy CNS przeznaczone są do pompowania wody o temperaturze do +45°C, a CNS(g) – do pompowania wody o temperaturze od +45°C do +105°C. Pompy i agregaty produkowane są w ogólnej wersji przemysłowej i nie mogą być stosowane w obiektach produkcyjnych zagrożonych wybuchem i pożarem. Głównymi obszarami zastosowania pomp CNS są przypadki zwiększonej objętości pompowanej cieczy, na przykład w przedsiębiorstwach budownictwa mieszkaniowego i komunalnego (zaopatrzenie w wodę), a także pompy dla przemysłu górniczego i wydobywczego.
Dokumentacja Pompa sekcyjna na ramie instalacji centralnego ogrzewania 400-540 z silnikiem 1000 kW, 1500 obr./min.
Pobierz instrukcje, katalog dla Pompa sekcyjna na ramie instalacji centralnego ogrzewania 400-540 z silnikiem 1000 kW, 1500 obr./min.
Pompa sekcyjna na ramie instalacji centralnego ogrzewania 400-540 z silnikiem 1000 kW, 1500 obr./min. opinię

Pomoc w doborze
+48 22 390 63 48
Dział sprzedaży
W przypadku jakichkolwiek pytań podczas składania zamówienia, prosimy o kontakt pod wskazanym numerem telefonu.
Lub wypełnij formularz na stronie
Pomoc w doborze
Lub wypełnij formularz na stronie
Pomoc w doborze
























































































































