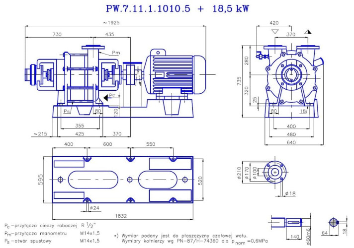
PW.7.11.1.1010 pompa próżniowa jednostopniowa
Marka:
Hydro-VacuumCechy charakterystyczne
Producent:
Wydajność, m3/godz:
600
Materiał:
Żeliwo
Seria pomp:
PW
Kraj pochodzenia:
Polska
Moc, kW:
18,5
Prędkość obrotowa, obr/min:
1 000
Zobacz wszystkie
Ulubione
Porównanie
Produkty z tej samej kategorii
Kupuj również z tym produktem
Wymiana lub zwrotKonsument ma prawo do odstąpienia od umowy w terminie 14 dni i obowiązek zwrotu towaru w ciągu kolejnych 14 dni
Warunki dostawyKoszty dostawy są obliczane w zależności od wybranego towaru
Gwarancja i jakośćProdukty posiadają gwarancję producenta, importera lub sprzedawcy, obowiązującą na terenie Polski
Płatność onlineZa towar można zapłacić przelewem bankowym oraz online przez system płatności Przelewy24Niniejsze ogłoszenie / reklama jest zaproszeniem do zawarcia umowy i nie stanowi oferty w myśl. art. 66, par. 1 Kodeksu Cywilnego
Dane techniczne PW.7.11.1.1010 pompa próżniowa jednostopniowa
Producent | Hydro-Vacuum |
Wydajność, m3/godz | 600 |
Materiał | Żeliwo |
Seria pomp | PW |
Kraj pochodzenia | Polska |
Moc, kW | 18,5 |
Prędkość obrotowa, obr/min | 1 000 |
Zasilanie | 3х380 V, 50 Hz |
Zabezpieczenie przeciwwybuchowe | Nie |
Typ Pompy | Próżniowy |
Typ napędu | Elektryczny |
Rodzaj instalacji | Poziomy |
Typ sprzętu | z silnikiem |
Wydajność (max), m3/godz | 600 |
Uszczelnienie | Szczeliwo typu 608 |
Materiał wału | AISI 420 |
Materiał wirnika | Brązowy |
Głębokość próżni, mbar | 213 |
Materiał obudowy | Żeliwo |
Zastosowanie | autoklawu, parowniku, wyparki |
Alternatywa | Becker, Busch, DVP, Elmo rietschle, EVP, Italvacuum, Nitto, Pompetravaini TRM, Robuschi, Sterling, Vakuummash, ВВН |
Opis PW.7.11.1.1010 pompa próżniowa jednostopniowa
Pompy próżniowe z pierścieniem wodnym serii PW1-12 – PW7-14 są jednostopniowymi pompami próżniowymi. Pompy próżniowe przeznaczone są do zasysania i pompowania suchego gazu o temperaturze do 150°C oraz gazów nasyconych parami, które różnią się tym, że ich temperatura nie przekracza 100°C, z możliwością stosowania płynów roboczych o lepkości do 60 mm2 / s i gęstości 800-1200 kg / m3, temperatura wody na wylocie pompy nie powinna przekraczać 80°C. Hydro-Vacuum produkuje jednostopniowe i dwustopniowe pompy próżniowe z pierścieniem wodnym serii PW. W pompach serii PW-pompa i silnik są montowane na wspólnym wsporniku. Moment obrotowy z silnika jest przenoszony do wirnika przez wał zamontowany w łożyskach wsporczych i elastyczne sprzęgło. Ta konstrukcja sprawia, że pompa próżniowa jest zauważalnie dłuższa i cięższa, ale znacznie ułatwia jej konserwację, gdy wymagana jest demontaż pompy lub wymiana silnika. Ponadto pompa jest zamontowana na 2 wspornikach (wirnik między łożyskami) co daje znacznie dłuższą żywotność pompy niż monobloku (zamontowana na wale silnika lub w osadzeniu wirnika)
Standardowe wykonanie pomp materiałowych: korpus pompy - żeliwo 250; wirnik - brąz cynowy B101; wał-stal 2H13 (AISI 420).
W razie potrzeby i życzenia klienta wykonanie materiału może być inne. Korpusy to żeliwo chromowane, brąz cynowy, stal węglowa, austenityczna stal staliwna; wirnik to żeliwo sferoidalne, austenityczna stal staliwna, stal węglowa, specjalna austenityczna stal staliwna. Wał jest stalą kwasoodporną. Każda pompa może mieć kompletność z silnikami o różnej mocy (kW), na potrzeby klienta dokonujemy wyboru indywidualnie.
PW.7.11.1.1010 pompa próżniowa jednostopniowa opinię

Pomoc w doborze
+48 22 390 63 48
Dział sprzedaży
W przypadku jakichkolwiek pytań podczas składania zamówienia, prosimy o kontakt pod wskazanym numerem telefonu.
Lub wypełnij formularz na stronie
Pomoc w doborze
Lub wypełnij formularz na stronie
Pomoc w doborze
























































































































