Pompa próżniowa Zinisan ZYVP-040/1,1 olejowa jednostopniowa
Marka:
ZINISANCechy charakterystyczne
Producent:
Wydajność, m3/godz:
40
Seria pomp:
ZYVP
Kraj pochodzenia:
Turcja
Średnica króćca wlotowego:
G 1 1/4"
Moc, kW:
1,1
Prędkość obrotowa, obr/min:
1 500
Zobacz wszystkie
Dokumentacja
Kategorie
Ulubione
Porównanie
Produkty z tej samej kategorii
Kupuj również z tym produktem
Wymiana lub zwrotKonsument ma prawo do odstąpienia od umowy w terminie 14 dni i obowiązek zwrotu towaru w ciągu kolejnych 14 dni
Warunki dostawyKoszty dostawy są obliczane w zależności od wybranego towaru
Gwarancja i jakośćProdukty posiadają gwarancję producenta, importera lub sprzedawcy, obowiązującą na terenie Polski
Płatność onlineZa towar można zapłacić przelewem bankowym oraz online przez system płatności Przelewy24Niniejsze ogłoszenie / reklama jest zaproszeniem do zawarcia umowy i nie stanowi oferty w myśl. art. 66, par. 1 Kodeksu Cywilnego
Dane techniczne Pompa próżniowa Zinisan ZYVP-040/1,1 olejowa jednostopniowa
Producent | ZINISAN |
Wydajność, m3/godz | 40 |
Seria pomp | ZYVP |
Kraj pochodzenia | Turcja |
Średnica króćca wlotowego | G 1 1/4" |
Moc, kW | 1,1 |
Prędkość obrotowa, obr/min | 1 500 |
Zasilanie | 3х380 V, 50 Hz |
Zabezpieczenie przeciwwybuchowe | Nie |
Typ Pompy | Próżniowy |
Typ napędu | Elektryczny |
Typ sprzętu | z silnikiem |
Waga, kg | 54 |
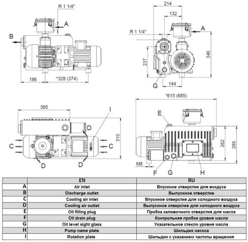
Wymiary, mm | 320x655х395 |
Poziom hałasu, dB | 70 |
Głębokość próżni, mbar | 2 |
Wydajność (nom), m3/godz | 40 |
Zastosowanie | autoklawu, parowniku, wyparki |
Opis Pompa próżniowa Zinisan ZYVP-040/1,1 olejowa jednostopniowa
Jednostopniowa, wtryskiwana olejem pompa próżniowa tureckiego producenta z serii Zinisan - ZYVP służy do wytwarzania głębokiej próżni o wartości do 2 mbar.
Pompy próżniowe są szeroko stosowane w przemyśle spożywczym do próżniowego pakowania produktów spożywczych, próżniowego pakowania kompresyjnego wszelkiego rodzaju tekstyliów, stosowane w procesach destylacji, filtracji i obróbki mechanicznej. W przemyśle chemicznym - próżniowy załadunek i rozładunek podczas transportu, do urządzeń próżniowych w szpitalach i gabinetach stomatologicznych, a także do formowania, impregnowania, przechowywania, suszenia drewna, do jednostek parowania i w innych zastosowaniach.
Pompy rotacyjne łopatkowe wypełnione olejem mają prostą i solidną konstrukcję: wysokiej jakości wał i napęd bezpośredni zapewniają niezawodność i długą żywotność pompy przy niskich kosztach konserwacji i eksploatacji.
Dokumentacja Pompa próżniowa Zinisan ZYVP-040/1,1 olejowa jednostopniowa
Pobierz instrukcje, katalog dla Pompa próżniowa Zinisan ZYVP-040/1,1 olejowa jednostopniowa
Pompa próżniowa Zinisan ZYVP-040/1,1 olejowa jednostopniowa opinię

Pomoc w doborze
+48 22 390 63 48
Dział sprzedaży
W przypadku jakichkolwiek pytań podczas składania zamówienia, prosimy o kontakt pod wskazanym numerem telefonu.
Lub wypełnij formularz na stronie
Pomoc w doborze
Lub wypełnij formularz na stronie
Pomoc w doborze




















































































































