pompa sprzęgła magnetycznego 10 DM PP, VITON, 0,55 kW
Marka:
DEBEMCechy charakterystyczne
Producent:
Wydajność, m3/godz:
13
Wysokość podnoszenia, m.w.St:
13.8
Materiał:
PP
Seria pomp:
DM
Kraj pochodzenia:
Włochy
Średnica króćca wlotowego:
1 1/2"
Zobacz wszystkie
Ulubione
Porównanie
Produkty z tej samej kategorii
Kupuj również z tym produktem
Wymiana lub zwrotKonsument ma prawo do odstąpienia od umowy w terminie 14 dni i obowiązek zwrotu towaru w ciągu kolejnych 14 dni
Warunki dostawyKoszty dostawy są obliczane w zależności od wybranego towaru
Gwarancja i jakośćProdukty posiadają gwarancję producenta, importera lub sprzedawcy, obowiązującą na terenie Polski
Płatność onlineZa towar można zapłacić przelewem bankowym oraz online przez system płatności Przelewy24Niniejsze ogłoszenie / reklama jest zaproszeniem do zawarcia umowy i nie stanowi oferty w myśl. art. 66, par. 1 Kodeksu Cywilnego
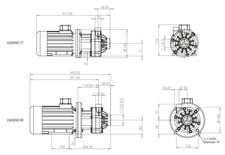
Dane techniczne pompa sprzęgła magnetycznego 10 DM PP, VITON, 0,55 kW
Producent | DEBEM |
Wydajność, m3/godz | 13 |
Wysokość podnoszenia, m.w.St | 13.8 |
Materiał | PP |
Seria pomp | DM |
Kraj pochodzenia | Włochy |
Średnica króćca wlotowego | 1 1/2" |
Średnica króćca wylotowego | 1" |
Moc, kW | 0,55 |
Zasilanie | 3х380 V, 50 Hz |
Typ Pompy | Ze sprzęgłem magnetycznym |
Typ napędu | Elektryczny |
Wydajność (max), m3/godz | 13 |
Temperatura (max), C | 65 |
Materiał części przepływowej | PP |
Wysokość podnoszenia (max), m.w.St | 13.8 |
Maksymalna lepkość, cPs | 150 |
Model | DM10 |
Maksymalna temperatura cieczy, °C | 65 |
Średnica wirnika, mm | 98 |
Materiał pierścienia uszczelniającego | VITON(FKM) |
Dostępność części zamiennych | Tak |
Opis pompa sprzęgła magnetycznego 10 DM PP, VITON, 0,55 kW
DM konserwy pompy bez uszczelnień i sprzęgieł magnetycznych.
Pompy hermetyczne ze sprzęgłem magnetycznym używane do pompowania korozyjnych, toksycznych lub palnych cieczy, cieczy zawierających cząstki stałe.
Wiele magnesów napędza pompę ruchu magnes zewnętrzny znajdujący się na wale przenosi ruch na magnes osadzony w wewnętrznym wirnikiem, który jest hermetycznie izolowane. Wirnik jest zamocowany na wale pompy, a zatem, bez uszczelnienia, który zapobiega wyciekowi płynu pompowanego wskutek zużycia uszczelki. Głowica pompy składa się z kilku komponentów, upraszczając tym samym konserwację. Standardowe materiały wydajności pompy: polipropylen (PP) i polivinilindenftorid (PVDF).
Pompy te nie mogą pracować „na sucho”. Pompowanie cieczy zanieczyszczonych prowadzi do zmniejszenia żywotności pompy.
pompa sprzęgła magnetycznego 10 DM PP, VITON, 0,55 kW opinię

Pomoc w doborze
+48 22 390 63 48
Dział sprzedaży
W przypadku jakichkolwiek pytań podczas składania zamówienia, prosimy o kontakt pod wskazanym numerem telefonu.
Lub wypełnij formularz na stronie
Pomoc w doborze
Lub wypełnij formularz na stronie
Pomoc w doborze






















































































































