BSCM 200-670A, 250 kW, 1500 - pompa z podwójnym wejściem
Marka:
BTS EngineeringCechy charakterystyczne
Producent:
Wydajność, m3/godz:
432
Wysokość podnoszenia, m.w.St:
130
Materiał:
Żeliwo
Seria pomp:
BSCM
Kraj pochodzenia:
Chiny
Średnica króćca wlotowego:
DN250
Zobacz wszystkie
Dokumentacja
Ulubione
Porównanie
Produkty z tej samej kategorii
Kupuj również z tym produktem
Wymiana lub zwrotKonsument ma prawo do odstąpienia od umowy w terminie 14 dni i obowiązek zwrotu towaru w ciągu kolejnych 14 dni
Warunki dostawyKoszty dostawy są obliczane w zależności od wybranego towaru
Gwarancja i jakośćProdukty posiadają gwarancję producenta, importera lub sprzedawcy, obowiązującą na terenie Polski
Płatność onlineZa towar można zapłacić przelewem bankowym oraz online przez system płatności Przelewy24Niniejsze ogłoszenie / reklama jest zaproszeniem do zawarcia umowy i nie stanowi oferty w myśl. art. 66, par. 1 Kodeksu Cywilnego
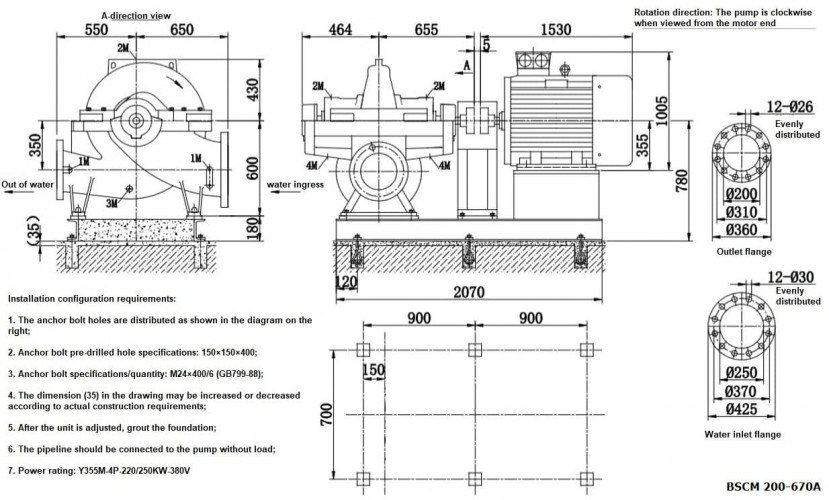
Dane techniczne BSCM 200-670A, 250 kW, 1500 - pompa z podwójnym wejściem
Producent | BTS Engineering |
Wydajność, m3/godz | 432 |
Wysokość podnoszenia, m.w.St | 130 |
Materiał | Żeliwo |
Seria pomp | BSCM |
Kraj pochodzenia | Chiny |
Średnica króćca wlotowego | DN250 |
Średnica króćca wylotowego | DN200 |
Moc, kW | 250 |
Prędkość obrotowa, obr/min | 1 500 |
Zasilanie | 3х380 V, 50 Hz |
Typ Pompy | Dwukierunkowe wejście |
Typ napędu | Elektryczny |
Typ sprzętu | z silnikiem |
Gwarancja, miesiące | 12 |
Wydajność (nom), m3/godz | 432 |
Wysokość podnoszenia (nom), m.w.St | 130 |
Opis BSCM 200-670A, 250 kW, 1500 - pompa z podwójnym wejściem
Pompa dwustrumieniowa BSCM, będąca odpowiednikiem pomp D, 1D, nadaje się do pompowania cieczy niezawierających ciał stałych o masie większej niż 0,05%, o wielkości powyżej 0,2 mm, mikrotwardości powyżej 6,5 GPa (650 kgf/mm²), które nie są agresywne chemicznie w stosunku do materiałów, z których wykonana jest pompa.
Pompy z korpusem dzielonym są zalecane do stosowania w systemach zaopatrzenia w wodę, stacjach uzdatniania wody, instalacjach podwyższających ciśnienie, instalacjach przeciwpożarowych, systemach nawadniania, do cyrkulacji wody w systemach klimatyzacyjnych oraz w rolnictwie.
Główną różnicą między pompami typu BSCM a innymi pompami odśrodkowymi jest sposób doprowadzania cieczy do wirnika. Zasysanie odbywa się w taki sposób, że ciecz wpływa do wirnika łopatkowego z obu stron. Fizycznie ma to na celu kompensację siły osiowej, która w przypadku jednostronnego doprowadzania cieczy działa na wirnik w jednym kierunku. Przy małych parametrach pompy nie ma to znaczenia. Dlatego pompy tego typu są projektowane specjalnie do zadań, w których wymagana jest wysoka wydajność.
Drugą zaletą pomp dwustrumieniowych jest to, że posiadają one króćce ssawne i tłoczne umieszczone w taki sposób, że ciecz jest doprowadzana i odprowadzana poziomo, a nie pod kątem 90°, jak w większości pomp odśrodkowych. Ta zaleta polega na tym, że montaż takich zespołów pompowych jest łatwiejszy.
Kolejną zaletą konstrukcji pomp dwustrumieniowych BSCM jest łatwość demontażu części pompy – górna pokrywa jest przykręcana, a nie odlewana w całości, jako pojedynczy korpus, co ma miejsce w przypadku niemal wszystkich modeli pomp odśrodkowych. Pozwala to na naprawę i konserwację części pompy na miejscu, bez konieczności demontażu zespołu z rurociągu.
Dokumentacja BSCM 200-670A, 250 kW, 1500 - pompa z podwójnym wejściem
Pobierz instrukcje, katalog dla BSCM 200-670A, 250 kW, 1500 - pompa z podwójnym wejściem
BSCM 200-670A, 250 kW, 1500 - pompa z podwójnym wejściem opinię

Pomoc w doborze
+48 22 390 63 48
Dział sprzedaży
W przypadku jakichkolwiek pytań podczas składania zamówienia, prosimy o kontakt pod wskazanym numerem telefonu.
Lub wypełnij formularz na stronie
Pomoc w doborze
Lub wypełnij formularz na stronie
Pomoc w doborze






















































































































