Pompa dozująca nurnikowa PDM-P BI 1027/6,5 400/3/50 0,55 PVC EPDM
Marka:
ETATRON D.S.Cechy charakterystyczne
Producent:
Materiał:
PVC
Seria pomp:
P
Kraj pochodzenia:
Włochy
Moc, kW:
0,75
Typ Pompy:
Silnik tłoka
Typ napędu:
Elektryczny
Zobacz wszystkie
Dokumentacja
Kategorie
Ulubione
Porównanie
Produkty z tej samej kategorii
Kupuj również z tym produktem
Wymiana lub zwrotKonsument ma prawo do odstąpienia od umowy w terminie 14 dni i obowiązek zwrotu towaru w ciągu kolejnych 14 dni
Warunki dostawyKoszty dostawy są obliczane w zależności od wybranego towaru
Gwarancja i jakośćProdukty posiadają gwarancję producenta, importera lub sprzedawcy, obowiązującą na terenie Polski
Płatność onlineZa towar można zapłacić przelewem bankowym oraz online przez system płatności Przelewy24Niniejsze ogłoszenie / reklama jest zaproszeniem do zawarcia umowy i nie stanowi oferty w myśl. art. 66, par. 1 Kodeksu Cywilnego
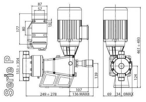
Dane techniczne Pompa dozująca nurnikowa PDM-P BI 1027/6,5 400/3/50 0,55 PVC EPDM
Producent | ETATRON D.S. |
Materiał | PVC |
Seria pomp | P |
Kraj pochodzenia | Włochy |
Moc, kW | 0,75 |
Typ Pompy | Silnik tłoka |
Typ napędu | Elektryczny |
Model | BI |
Ciśnienie, bar | 6.5 |
Wydajność, l/godz | 1027 |
Zarządzanie | Analog (ręka) |
Materiał części pompy | PVC |
Połączenie | 3 1/2" GM |
Liczba udarów tłoka/min. | 120 |
Długość skoku tłoka, mm | 20 |
Średnica tłoka, mm | 95 |
Dostępność części zamiennych | Tak |
Alternatywa | AquaViva, ASeko, Descon trol S, Emec, FWT, Injecta, Seko |
Opis Pompa dozująca nurnikowa PDM-P BI 1027/6,5 400/3/50 0,55 PVC EPDM
Pompy nurnikowy dozujące chemiczne serii P;
Wydajność: 14÷1027 l / h, ciśnienie: 3.5÷25 bar;
Konfiguracja BA-głowica pompy-PCV, tłok-ceramika;
Pompy spełniają normy CE;
Korpus pompy wykonany jest z odlewu aluminiowego, chronionego farbą epoksydową, kwasową;
Stopień ochrony: IP55, stopień izolacji: F;
Wydajność pomp jest regulowana za pomocą pokrętła mikrometrycznego, które kontroluje długość skoku tłoka;
Maksymalna wysokość ogrodzenia: 3 metry;
Pompa nurnikowa jest napędzana przez pionowo umieszczony silnik;
Skrzynia biegów działa na zasadzie biegu jałowego (powrót tłoka odbywa się za pomocą sprężyny powrotnej);
Standardowy silnik: 0,25 kW-0,75 kW, 230 / 400V, 3 fazy, 50 Hz.;
Inne typy silników na dodatkowe zamówienie.
Dokumentacja Pompa dozująca nurnikowa PDM-P BI 1027/6,5 400/3/50 0,55 PVC EPDM
Pobierz instrukcje, katalog dla Pompa dozująca nurnikowa PDM-P BI 1027/6,5 400/3/50 0,55 PVC EPDM
Video Pompa dozująca nurnikowa PDM-P BI 1027/6,5 400/3/50 0,55 PVC EPDM
Pompa dozująca nurnikowa PDM-P BI 1027/6,5 400/3/50 0,55 PVC EPDM opinię

Pomoc w doborze
+48 22 390 63 48
Dział sprzedaży
W przypadku jakichkolwiek pytań podczas składania zamówienia, prosimy o kontakt pod wskazanym numerem telefonu.
Lub wypełnij formularz na stronie
Pomoc w doborze
Lub wypełnij formularz na stronie
Pomoc w doborze
























































































































