Sprzęgło automatyczne Dreno Typ A5
Marka:
DrenoCechy charakterystyczne
Producent:
Materiał:
Żeliwo
Kraj pochodzenia:
Włochy
Średnica króćca wlotowego:
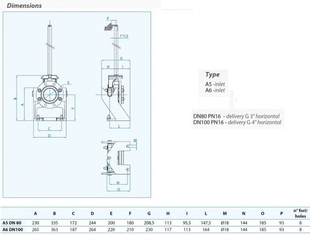
DN80
Średnica króćca wylotowego:
DN80
Maksymalna średnica wtrąceń stałych, mm:
80
Rodzaj części:
Sprzęganie
Dokumentacja
Kategorie
Ulubione
Porównanie
Produkty z tej samej kategorii
Wymiana lub zwrotKonsument ma prawo do odstąpienia od umowy w terminie 14 dni i obowiązek zwrotu towaru w ciągu kolejnych 14 dni
Warunki dostawyKoszty dostawy są obliczane w zależności od wybranego towaru
Gwarancja i jakośćProdukty posiadają gwarancję producenta, importera lub sprzedawcy, obowiązującą na terenie Polski
Płatność onlineZa towar można zapłacić przelewem bankowym oraz online przez system płatności Przelewy24Niniejsze ogłoszenie / reklama jest zaproszeniem do zawarcia umowy i nie stanowi oferty w myśl. art. 66, par. 1 Kodeksu Cywilnego
Dane techniczne Sprzęgło automatyczne Dreno Typ A5
Producent | Dreno |
Materiał | Żeliwo |
Kraj pochodzenia | Włochy |
Średnica króćca wlotowego | DN80 |
Średnica króćca wylotowego | DN80 |
Maksymalna średnica wtrąceń stałych, mm | 80 |
Rodzaj części | Sprzęganie |
Opis Sprzęgło automatyczne Dreno Typ A5
Główne DANE TECHNICZNE: kołnierzowe; korpus wykonany z żeliwa GG25; Złączka z gumową uszczelką NBR; pełne swobodne przejście; szyny prowadzące, podpora przyłączeniowa i śruba / śruba INOX są dołączone; szczypce i śruby mocujące są dołączone.
Dokumentacja Sprzęgło automatyczne Dreno Typ A5
Pobierz instrukcje, katalog dla Sprzęgło automatyczne Dreno Typ A5
Sprzęgło automatyczne Dreno Typ A5 opinię

Pomoc w doborze
+48 22 390 63 48
Dział sprzedaży
W przypadku jakichkolwiek pytań podczas składania zamówienia, prosimy o kontakt pod wskazanym numerem telefonu.
Lub wypełnij formularz na stronie
Pomoc w doborze
Lub wypełnij formularz na stronie
Pomoc w doborze


















































































































