DN50 Pneumatycznie uruchamiany zawór szlamowy odmulania kotła 10T11Y-DNx5016Z-L112C-C (korpus WCB, gniazdo SS304) z pozycjonerem YT-1000, wejście 4-20
Marka:
BTS EngineeringCechy charakterystyczne
Średnica przyłącza, DN:
50
Środowisko pracy:
para wodna, kondensat pary wodnej
Sygnał sterujący, mA:
4-20
Sposób działania:
normalnie zamknięty
Producent:
Kraj pochodzenia:
Chiny
Zabezpieczenie przeciwwybuchowe:
Nie
Zobacz wszystkie
Dokumentacja
Ulubione
Porównanie
Produkty z tej samej kategorii
Wymiana lub zwrotKonsument ma prawo do odstąpienia od umowy w terminie 14 dni i obowiązek zwrotu towaru w ciągu kolejnych 14 dni
Warunki dostawyKoszty dostawy są obliczane w zależności od wybranego towaru
Gwarancja i jakośćProdukty posiadają gwarancję producenta, importera lub sprzedawcy, obowiązującą na terenie Polski
Płatność onlineZa towar można zapłacić przelewem bankowym oraz online przez system płatności Przelewy24Niniejsze ogłoszenie / reklama jest zaproszeniem do zawarcia umowy i nie stanowi oferty w myśl. art. 66, par. 1 Kodeksu Cywilnego
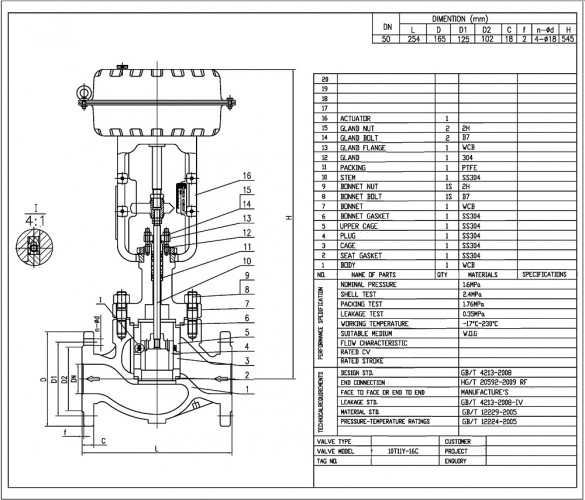
Dane techniczne DN50 Pneumatycznie uruchamiany zawór szlamowy odmulania kotła 10T11Y-DNx5016Z-L112C-C (korpus WCB, gniazdo SS304) z pozycjonerem YT-1000, wejście 4-20
Średnica przyłącza, DN | 50 |
Środowisko pracy | para wodna, kondensat pary wodnej |
Sygnał sterujący, mA | 4-20 |
Sposób działania | normalnie zamknięty |
Producent | BTS Engineering |
Kraj pochodzenia | Chiny |
Zabezpieczenie przeciwwybuchowe | Nie |
Ciśnienie nominalne, Mpa | 1,6 |
Temperatura pracy | –17°C +230°C |
Materiał obudowy | WCB odlew ze stali węglowej |
Typ połączenia | kołnierzowy |
Opis DN50 Pneumatycznie uruchamiany zawór szlamowy odmulania kotła 10T11Y-DNx5016Z-L112C-C (korpus WCB, gniazdo SS304) z pozycjonerem YT-1000, wejście 4-20
Pneumatycznie sterowany zawór szlamowy z siłownikiem, sterowanie 4-20 mA, pojedyncze gniazdo, dwudrogowy zawór przelotowy. Szeroki zakres zastosowań pozwala na użycie tego zaworu z najpopularniejszymi płynami procesowymi, takimi jak woda, woda przegrzana, para, powietrze, gazy i inne nieagresywne ciecze.
Dokumentacja DN50 Pneumatycznie uruchamiany zawór szlamowy odmulania kotła 10T11Y-DNx5016Z-L112C-C (korpus WCB, gniazdo SS304) z pozycjonerem YT-1000, wejście 4-20
Pobierz instrukcje, katalog dla DN50 Pneumatycznie uruchamiany zawór szlamowy odmulania kotła 10T11Y-DNx5016Z-L112C-C (korpus WCB, gniazdo SS304) z pozycjonerem YT-1000, wejście 4-20
Video DN50 Pneumatycznie uruchamiany zawór szlamowy odmulania kotła 10T11Y-DNx5016Z-L112C-C (korpus WCB, gniazdo SS304) z pozycjonerem YT-1000, wejście 4-20
DN50 Pneumatycznie uruchamiany zawór szlamowy odmulania kotła 10T11Y-DNx5016Z-L112C-C (korpus WCB, gniazdo SS304) z pozycjonerem YT-1000, wejście 4-20 opinię

Pomoc w doborze
+48 22 390 63 48
Dział sprzedaży
W przypadku jakichkolwiek pytań podczas składania zamówienia, prosimy o kontakt pod wskazanym numerem telefonu.
Lub wypełnij formularz na stronie
Pomoc w doborze
Lub wypełnij formularz na stronie
Pomoc w doborze






















































































































